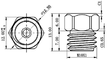
燃油轨塞减压阀 Fuel Rail Plug Pressure Relief Vent

 

Part No.
HPS-JX-D01-M10x1-7
通过物尺寸
<0.40μm
材质
SUS304
耐温性能
-40℃~150℃
防水等级
IP68
长期工作温度范围
-40℃~120℃
防尘等级
IP6
阻燃等级
V0
防爆开启压力
150-200KPA(公差±20KPA)
安装扭力
0.8~1N.m

        单向阀系列是一种以全新理念设计开发的高新技术产品,通过精心设计,将防水、防尘、泄压、效应功能集为一体,能有效解决因高压现象所导致的损坏。
      单向阀M10主体材料采用304不锈钢数控精密加工成型,304不锈钢耐膨胀性能好、表面耐磨损、美观清洁光亮长久耐用无刮痕永不生锈、永不断裂。具有耐温高、不燃烧、抗冲击力大、可靠性高、安装简单、防水性能高、泄压快。当腔体内部压强大于或等于单向阀所设定爆破值时、单向阀里面的阀芯就会开启泄压、使腔体及内部设备不至膨胀、变形、爆炸等现象、从而对设备或系统起到保护,
     单向阀M10启爆点精度高、爆破后可自动复位继续使用。腔体内部的压强未达到设定的启爆值时、单向阀阀芯关闭严密、外面的水和气体、灰尘都进不来、使设备内部保持良好运行、大大的提高了产品使用寿命。未达到设定的泄压值时、腔体内部的流体或气体都不会泄漏。单向阀系列出货前可100%检测以确保产品质量等优点,可广泛应用于船坞、电厂、冶金、新能源汽车、大概率储能、以及各种户外电器设备等领域,能满足各种工况的需要。

 

Copyright 2009 - 2012 上海凯舒电子材料有限公司 版权所有
公司地址:上海市浦东新区民民路380弄3号
电话:021-58381118, 58991538, 58350020 ,50478011 传真:021-50211732 E-mail:info@kinglok.com
沪ICP备09082748号   沪公网安备 31011502005851号