Square LED Spacer Support
|

|
MATERIAL:NYLON 66
FLAME CLASS:UL94 V-2
COLOR:NATURAL
TEMPERATURE :-40°C to 85°C
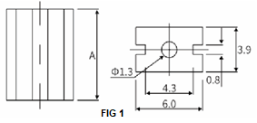
Unit: mm
|
|
PartNo.
|
A
|
FIG
|
|
SQLED-Y3
|
3.0
|
1
|
|
SQLED-Y4
|
4.0
|
|
SQLED-Y5
|
5.0
|
|
SQLED-Y6
|
6.0
|
|
SQLED-Y7
|
7.0
|
|
SQLED-Y8
|
8.0
|
|
SQLED-Y9
|
9.0
|
2
|
|
SQLED-Y10
|
10.0
|
|
SQLED-Y11
|
11.0
|
|
SQLED-Y12
|
12.0
|
|
SQLED-Y13
|
13.0
|
|
SQLED-Y14
|
14.0
|
|
SQLED-Y15
|
15.0
|
|
SQLED-Y16
|
16.0
|
|
SQLED-Y17
|
17.0
|
|
SQLED-Y18
|
18.0
|
|
SQLED-Y19
|
19.0
|
|
SQLED-Y20
|
20.0
|
|
SQLED-Y21
|
21.0
|
|
SQLED-Y22
|
22.0
|
|
SQLED-Y23
|
23.0
|
|
SQLED-Y24
|
24.0
|
|
SQLED-Y25
|
25.0
|
|
|
|
|
|