中文
|
English
Inventory Discounts
Hardware Product
PCB Support
High Voltage Insulator
Card Guide & Pullers
Nylon Rivet
Automotive Plastic Fasteners
Car Cable Tie & Card Buckle
PEEK,PPS,PEI,Reny
Screw & Nut & Washer
Hand Spin Ccrew
Bonded Seal,O-Ring
Cable Tie
Magic Cable Tie
Cable Tie Holder
Cable Clip
Hose Clamp
Bushing & Grommet
Gasketing
Waterproof Breathable Valve
Hole Plugs & End Cap
Bumper & Door Latch
Rotary Dampers
Fan Accessories
Heat Shrinkable Tube
Cable Managenment
Cable Gland
Insulator
LED Hardware
Wire Connector
Terminal Block
Ferrite Cores
Battery Clips & Holders
Custom Made Parts
High Voltage Insulator
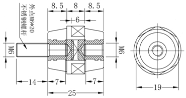
MATERIAL
:BODY--BMC,
NUT--BRASS;
SCREW--
Steel nickel plating
COLOR:RED
Unit:mm
Part No.
CS9-M6X7-25-B-BMC
Copyright 2009 - 2012 Shanghai Kinglok Electrical Material Co.,Ltd. All rights reserved.
Addr:Building 3,No. 380,Minmin Road,Pudong,Shanghai,China
Tel :+86 21-58381118,58991538,58350020,50478011 Fax :+86 21-50211732 E-mail: info@kinglok.com